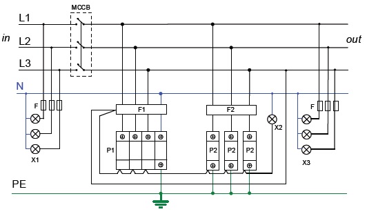
Tủ cắt lọc đa cấp cho hệ thống điện 3 pha 125A
SDS254VG-43HF-125A là bộ tủ cắt lọc sét 3 pha chịu dòng tải đến 125A mỗi pha, được phối hợp từ các module riêng lẻ với các chức năng chuyên biệt. Trong đó gồm các tầng bảo vệ sơ cấp bằng thiết bị cắt sét type 1 (DS254VG-300/G gồm 4 module rời), tầng bảo vệ thứ cấp bằng thiết bị chống sét lan truyền Type 2 có chức năng lọc nhiễu DS43HFS (gồm 3 module rời) có khả năng triệt tiêu các xung điện áp đột biến rất lớn từ các sự kiện sét đánh hay sự hoạt động của các máy công nghiệp tạo ra, sẽ cho ra dòng điện được “sạch ” và an toàn cho các thiết bị điện và điện tử phía sau.
Bên cạnh đó, các module SPD còn được kết nối với hệ thống điện thông qua các bộ ngắt mạch type 1 chuyên dụng để phòng ngừa trường hợp ngắn mạch, đảm bảo an toàn hơn cho hệ thống điện khi có sự cố lỗi trên hệ thống.
Tầng bảo vệ sơ cấp sử dụng công nghệ VG độc quyền của Citel cho phép thiết bị không chỉ đáp ứng type 1, type 2 và cả type 3 theo tiêu chuẩn IEC mà nó còn cho phép lắp đặt các SPD thứ cấp khác ngay liền kề mà không cần đáp ứng yêu cầu về khoảng cách theo quy định (trên 10m).
Tầng bảo vệ thứ cấp sử dụng các module DS40HFS-230 công nghệ MOV năng lượng cao tích hợp mạch lọc nhiễu RFI, được bảo vệ lặp lại cho các dây pha của mạng điện, để tiếp tục triệt tiêu các xung điện áp lan truyền xuống mức thấp hơn, triệt tiêu các xung nhiễu tần số trên các dây nguồn điện.
Sản phẩm được lắp ráp hoàn chỉnh bởi TAEC từ các thiết bị nhập khẩu chính hãng CITEL Pháp như:
| Model sản phẩm | SDS254VG-43HF-125A |
| Nhãn hiệu | TACpro |
| Xuất xứ | Việt Nam (module nhập khẩu Pháp, lắp ráp bởi TAEC) |
| Ứng dụng | Cắt lọc sét nguồn điện AC |
| Type của thiết bị theo - IEC 61643 | Type 1+2+3 |
| Hệ thống điện | 3 pha 230/400Vac, 4P (3L+N), 50-60 Hz |
| Mạng điện AC nối đất | TT-TNS |
| Điện áp định mức L-N (Un) | 230 Vac |
| Điện áp hoạt động tối đa L-N (Uc) | 255 Vac |
| Quá áp tạm thời đặc tính 120 mn(UT) | 440 Vac |
| Dòng tải tiêu thụ tối đa (IL) | 125 A/pha |
| Dòng rò nối đất (Ipe) | không |
| Dòng liên tục ở Uc (Ic) | <1 mA |
| Dòng phóng theo (If) | không |
| Khả năng cắt xung lan truyền định mức (15 xung 8/20µs) (ln) | Sơ cấp: 30 kA/P; Thứ cấp: 20 kA/P |
| Khả năng cắt xung lan truyền tối đa /cực (8/20µs) (lmax) | Sơ cấp: 70 kA/P; Thứ cấp: 40 kA/P |
| Khả năng cắt xung trực tiếp /cực (10/350µs) (limp) | 25 kA/P |
| Khả năng cắt sét trực tiếp tổng (xung 10/350µs) (ltotal) | 100 kA/P |
| Chịu sóng kết hợp theo IEC 61643-11 (Uoc)(Class III test: 1.2/50μs - 8/20μs) | 20 kV |
| Cấu hình bảo vệ | L-N, N-G và L-G |
| Lọc nhiễu RFI | 0,1-30 Mhz |
| Điện dung tối đa của mạch (C) | 0,22 µF |
| Cấp bảo vệ @ In (8/20μs) (Up) | 1,5 kV (L-N, N-PE), 1,25 kV (L-PE) |
| Kết nối đến mạng điện | Nối tiếp |
| Công nghệ | Công nghệ VG (MOV + GSG) + MOV + lọc nhiễu RFI |
| Bảo vệ ngắn mạch /mức | Có / 12.5 kA |
| Báo hiệu tình trạng hoạt động | Có: chỉ thị màu trên module và đèn báo bên ngoài tủ |
| Nhiệt độ hoạt động | -40 đến +85 °C |
| Module chống sét: Nhãn hiệu /xuất xứ | DS254VG-300/G + 3x DS41HFS-230(CITEL /Pháp) |
| Thiết bị an toàn điện / Hiệu / xuất xứ | MCCB 3P 125A / Schnieder / Pháp SFD1-25S-31 + Cầu chì 50A gG |
| Vỏ tủ: chất liệu / xuất xứ | Sắt sơn tĩnh điện / Việt Nam |
| Vị trí lắp đặt ; | Trong nhà / Ngoài trời |
| Kích thước ngoài vỏ tủ (rộng x cao x sâu) | 500 x 700 x 210 mm |
| Tiêu chuẩn đáp ứng | IEC 61643-11 / EN 61643-11 / UL1449 |

