Chống sét tích hợp lọc nhiễu RFI cho thiết bị điện tử
SDACN1254C-43HF-125A/FC là tủ chống sét lan truyền cho hệ thống điện 3 pha TT-TNS, bảo vệ Type 1+2+3 bằng công nghệ VG hiệu suất cao của hãng Citel Pháp, tích hợp 2 tầng cắt sét sơ cấp và thứ cấp, kết hợp lọc nhiễu tần số RFI, cầu chì ngắt mạch chuyên dụng và hiển thị số dòng sét đi qua.
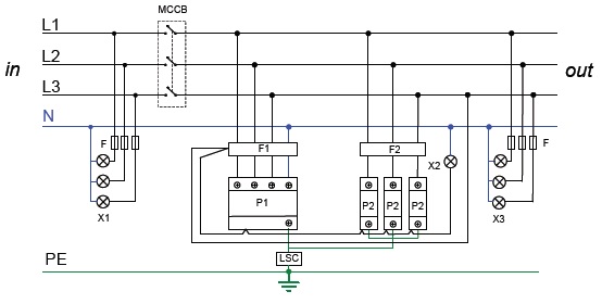
Cấu hình của tủ
Tủ có cấu tạo chắc chắn, vỏ bằng kim loại sơn tĩnh điện với đèn báo hiển thị tình trạng nguồn và khả năng hoạt động của các module SPD bên trong, sẽ giúp người quản lý dễ dàng nhận biết để thực hiện bảo trì thay thế kịp thời.
SDACN1254C-43HF-125A/FC là phiên bản 125A trong dòng tủ cắt lọc sét SDACN1254C-43HF-xxx/FC tích hợp bộ đếm, sản phẩm do TAEC lắp ráp từ các module nhập khẩu của CITEL Pháp.
| Model sản phẩm | SDACN1254C-43HF-125A/FC |
| Hiệu | TACpro |
| Xuất xứ | Việt Nam (module nhập khẩu Pháp, lắp ráp bởi TAEC) |
| Ứng dụng | Cắt lọc sét lan truyền nguồn điện AC |
| Type của thiết bị theo - IEC 61643 | Type 1+2+3 |
| Hệ thống điện | 3 pha 4P (3L+N), 50-60 Hz |
| Mạng điện AC nối đất | TT-TNS |
| Điện áp định mức L-N (Un) | 230 Vac |
| Điện áp hoạt động tối đa L-N (Uc) | 255 Vac |
| Quá áp tạm thời đặc tính 120 mn(UT) | 440 Vac |
| Dòng tải tối đa (IL) | 125 A |
| Dòng rò nối đất (Ipe) | không |
| Dòng liên tục ở Uc (Ic) | < 1 mA |
| Dòng phóng theo (If) | không |
| Khả năng cắt xung định mức /cực (15 xung 8/20µs) (ln) | Sơ cấp 25 kA/P; Thứ cấp 20 kA/P |
| Khả năng cắt xung tối đa /cực (xung 8/20µs) (lmax) | Sơ cấp 100 kA/P; Thứ cấp 40 kA/P |
| Khả năng cắt xung trực tiếp /cực (10/350µs) (limp) | 25 kA/P |
| Khả năng cắt sét trực tiếp tổng (xung 10/350µs) (ltotal) | 100 kA |
| Chịu sóng kết hợp theo IEC 61643-11 (Uoc) (Class III test: 1.2/50μs - 8/20μs) | 6 kV |
| Kiểu bảo vệ | L-N, N-PE và L-PE |
| Lọc nhiễu RFI | 0,1-30 Mhz |
| Điện dung tối đa của mạch (C) | 0,22 µF |
| Cấp bảo vệ @ In (8/20μs) (Up) | 1,25 kV |
| Chức năng ghi nhận xung điện đột biến đi qua (đếm sét) | Có, dòng xung từ 0,5 - 100 kA |
| Kết nối đến mạng điện | Nối tiếp |
| Công nghệ | Công nghệ VG (MOV + GSG) + MOV + lọc nhiễu RFI |
| Bảo vệ ngắn mạch cho SPD và hệ thống điện | bộ cầu chì chống sét chuyên dụng |
| Khả năng thay thế SPD và cầu chì | Có |
| Bảo vệ ngắn mạch /mức | Có / 18 kA |
| Báo hiệu tình trạng hoạt động | chỉ thị màu trên module & đèn báo bên ngoài tủ |
| Nhiệt độ hoạt động | -40 đến +85 °C |
| Module SPD / hiệu / xuất xứ | DACN1-25CVGS-31-275, 3x DS41HFS-230, LSC-A (Citel /Pháp) |
| Thiết bị an toàn điện / hiệu / xuất xứ | MCCB 3P 125A / Schneider / Pháp Bộ ngắt mạch SFD1-25S-31 / Citel / Pháp và cầu chì 50A gG |
| Vỏ tủ: chất liệu / xuất xứ | Kim loại sơn tĩnh điện / Việt Nam |
| Vị trí lắp đặt | Trong nhà / Ngoài trời |
| Kích thước ngoài vỏ tủ (rộng x cao x sâu) | 500 x 700 x 210 mm |
| Tiêu chuẩn đáp ứng | IEC 61643-11 / EN 61643-11 / UL1449 |

