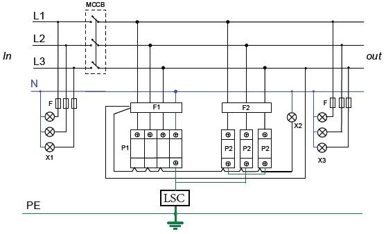
SDS254VG-43HF-125A/C là tủ cắt lọc sét cho nguồn điện 3 pha 4 dây (3L+N) chịu dòng tải đến 125A mỗi pha, được phối hợp từ các module chống sét dạng DINrail của hãng Citel Pháp, bảo vệ đa tầng với các chức năng bảo vệ Type 1+2+3 cùng với bộ ngắt mạch bằng cầu chì chuyên dụng SFD1-25S-31 và thiết bị đếm và ghi nhận xung LSC-A.
Trong đó tầng bảo vệ sơ cấp sử dụng công nghệ VG độc quyền của Citel đã cung cấp đầy đủ mức bảo vệ Type 1, Type 2 và Type 3, kết hợp tầng bảo vệ thứ cấp tích hợp mạch lọc nhiễu RFI từ 0.1 đến 30MHz cho ra nguồn điện “sạch” hơn, không còn các xung điện cao đột biến hoặc tạp nhiễu có thể làm ảnh hưởng và hư hỏng các thiết bị điện tử phía sau.
SDS254VG-43HF-125A/C là một phiên bản trong dòng SDS254VG-43HF sử dụng công nghệ VG hiệu suất cao. Khác với tủ SDS254VG-43HF-125A là SDS254VG-43HF-125A/C có kết hợp thiết bị đếm điện tử ghi nhận các lần các xung điện áp đột biến (hay xung sét) đã chuyển xuống đất an toàn, kết quả đếm được hiển thị trên màn hình LCD ta sẽ đánh giá được tính hiệu quả của tủ đang được sử dụng.
Với công nghệ VG này cho phép các tầng bảo vệ có Type khác nhau có thể đặt cạnh nhau mà không cần các cuộn cảm phối hợp, điều đó không chỉ giúp nâng cao độ an toàn điện mà còn làm giảm bớt giá thành của sản phẩm.
Sản phẩm được lắp ráp hoàn chỉnh bởi TAEC từ các SPD CITEL:
Dòng SDS254VG-43HF có các model theo dòng tải:
Tủ cắt lọc 3 pha 125A SDS254VG-43HF-125A/C type 1+2+3 công nghệ VG, tích hợp cầu chì chuyên dụng và đếm sét, cắt dòng xung trực tiếp 10/350µs Iimp 25kA/P, xung lan truyền 8/20µs Imax70kA/P, bảo vệ an toàn cho các thiết bị điện tử không bị hư hỏng do sét và sự đóng ngắt từ máy công nghiệp gây ra.
| Model sản phẩm | SDS254VG-43HF-125A/C |
| Hiệu | TACpro |
| Xuất xứ | Việt Nam (module nhập khẩu Pháp, lắp ráp bởi TAEC) |
| Ứng dụng | Cắt lọc sét lan truyền nguồn điện AC |
| Type của thiết bị theo - IEC 61643 | Type 1+2+3 |
| Hệ thống điện | 3 pha 4P (3L+N), 50-60 Hz |
| Mạng điện AC nối đất | TT-TNS |
| Điện áp định mức L-N (Un) | 230 Vac |
| Điện áp hoạt động tối đa L-N (Uc) | 255 Vac |
| Quá áp tạm thời đặc tính 120 mn(UT) | 440 Vac |
| Dòng tải tối đa (IL) | 125A/pha |
| Dòng rò nối đất (Ipe) | không |
| Dòng liên tục ở Uc (Ic) | < 1 mA |
| Dòng phóng theo (If) | không |
| Khả năng cắt xung định mức /cực (15 xung 8/20µs) (ln) | Sơ cấp 30 kA/P; Thứ cấp 20 kA/P |
| Khả năng cắt xung tối đa /cực (xung 8/20µs) (lmax) | Sơ cấp 70 kA/P; Thứ cấp 40 kA/P |
| Khả năng cắt xung trực tiếp /cực (10/350µs) (limp) | 25 kA/P |
| Khả năng cắt sét trực tiếp tổng (xung 10/350µs) (ltotal) | 100 kA |
| Chịu sóng kết hợp theo IEC 61643-11 (Uoc) (Class III test: 1.2/50μs - 8/20μs) | 20 kV |
| Kiểu bảo vệ | L-N, N-PE và L-PE |
| Lọc nhiễu RFI | 0,1-30 Mhz |
| Điện dung tối đa của mạch (C) | 0,22 µF |
| Cấp bảo vệ @ In (8/20μs) Up (L-N/ N-PE) | 1,5 kV |
| Cấp bảo vệ @ In (8/20μs) Up (L-PE) | 1,25 kV |
| Kết nối đến mạng điện | Nối tiếp |
| Công nghệ | Công nghệ VG (MOV + GSG) + MOV + lọc nhiễu RFI |
| Bảo vệ ngắn mạch cho SPD và hệ thống điện | bộ cầu chì chống sét chuyên dụng |
| Khả năng thay thế SPD hoặc cầu chì | Có |
| Chức năng đếm sét số điện tử | Có, dòng xung từ 0,5 - 100 kA |
| Bảo vệ ngắn mạch /mức | Có / 12,5 kA |
| Báo hiệu tình trạng hoạt động | chỉ thị màu trên module & đèn báo bên ngoài tủ |
| Nhiệt độ hoạt động | -40 đến +85 °C |
| Module SPD / hiệu / xuất xứ | DS254VG-300/G + 3x DS41HFS-230 + LSC-A (Citel /Pháp) |
| Thiết bị an toàn điện / hiệu / xuất xứ | MCCB 3P 125A / Schneider / Pháp Bộ ngắt mạch SFD1-25S-31 / Citel / Pháp và cầu chì 50A gG |
| Vỏ tủ: chất liệu / xuất xứ | Kim loại sơn tĩnh điện / Việt Nam |
| Vị trí lắp đặt | Trong nhà / Ngoài trời |
| Kích thước ngoài vỏ tủ (rộng x cao x sâu) | 500 x 700 x 210 mm |
| Tiêu chuẩn đáp ứng | IEC 61643-11 / EN 61643-11 / UL1449 |

