Cắt lọc đa cấp cho hệ thống điện 3 pha 100A
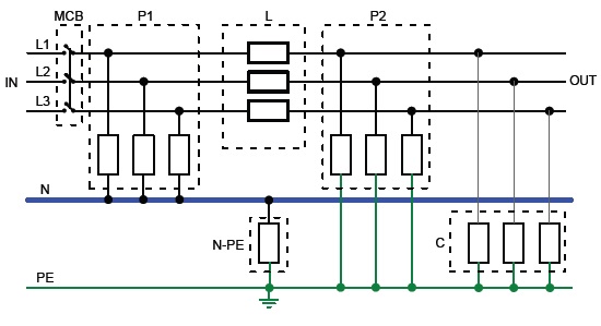
TACpro SDS254G-53VG-100A là tủ cắt lọc sét đa cấp cho mạng điện 3 pha có trung tính, dòng tải tối đa 100A, thuộc Type 1+2+3 với khả năng cắt các dòng xung điện áp đột biến do sét đánh hoặc quá áp công nghiệp gây ra với cường độ rất cao mà điện áp bảo vệ còn lại rất thấp, có khả năng triệt tiêu các xung nhiễu loạn tần số trên hệ thống truyền tải điện.
Tủ SDS254G-53VG-100A rất thích hợp để lắp đặt bảo vệ cho các thiết bị điện quan trọng, công suất tải lớn và có nhiều mạch điện tử nhạy cảm với dòng điện.
Khả năng ưu việc của SDS254G-53VG-100A có được là nhờ sự kết hợp từ các thiết bị chống sét của CITEL lại với nhau, gồm:
Tầng bảo vệ Sơ cấp sử dụng DS254E-300/G, đây là bộ mudule thuộc Type 1+2, có khả năng cắt rất mạnh mẽ - 25kA mỗi cực với dòng xung trực tiếp (10/350µs) và 140kA mỗi cực với xung cảm ứng lan truyền 8/20µs.
Tầng bảo vệ Thứ cấp sử dụng DAC50VGS-30-275, đây là bộ module thuộc Type 2+3 với công nghệ VG hiệu suất cao của hãng Citel, chúng không chỉ triệt tiêu được các dòng lan truyền đến 50kA mỗi cực mà còn có tác dụng với các xung kết hợp (sóng 1.2/50μs - 8/20μs), cho ra mức điện áp dư còn lại rất thấp, rất an toàn cho các thiết bị điện tử phía sau nó.
Kết hợp giữa 2 tầng sơ cấp và thứ cấp là các cuộn cảm phối hợp DSH100 và tụ điện DUC để triệt tiêu đi các tần số tạp nhiễu xuất hiện trên đường dây, giúp cho các thiết bị điện tử phía sau hoạt động tốt hơn.
Tủ cắt lọc 3 pha 100A TACpro SDS254G-53VG-100A thích hợp để lắp đặt bảo vệ cho các tủ điện phân phối chính cho trung tâm xử lý dữ liệu, văn phòng làm việc, trung tâm điều khiển giao thông, hệ thống máy công nghiệp tự động hóa và các ứng dụng khác trong đời sống.
| Model sản phẩm | SDS254G-53VG-100A |
| Nhãn hiệu | TACpro |
| Xuất xứ | Việt Nam (module nhập khẩu Pháp, lắp ráp bởi TAEC VN) |
| Ứng dụng | Cắt lọc sét hệ thống điện AC |
| Type của thiết bị theo - IEC 61643 | Type 1+2+3 |
| Hệ thống điện | 3 pha 220/400 Vac (3L+N) |
| Mạng điện AC nối đất | TT-TNS |
| Điện áp định mức L-N (Un) | 230 Vac |
| Điện áp hoạt động tối đa L-N (Uc) | 275 Vac |
| Quá áp tạm thời đặc tính 120 mn(UT) | 440 Vac |
| Dòng tải tiêu thụ tối đa (IL) | 100 A/pha |
| Dòng rò nối đất (Ipe) | không |
| Dòng liên tục ở Uc (Ic) | < 2 mA |
| Dòng phóng theo (If) | không |
| Khả năng cắt xung định mức (15 xung 8/20µs) (ln) | L-N (sơ cấp): 70 kA / N-PE: 70 kA / L-PE (thứ cấp): 20 kA |
| Khả năng cắt xung tối đa /cực (8/20µs) (lmax) | L-N (sơ cấp): 140 kA / N-PE: 150kA / L-PE (thứ cấp): 50 kA |
| Khả năng cắt xung trực tiếp /cực (10/350µs) (limp) | L-N (sơ cấp): 25 kA / N-PE: 50 kA |
| Kiểu kết nối | L-N, N-G và L-G |
| Cấp bảo vệ Up (In) | 1,5 kV |
| Điện áp dư (Up-5kA) @ 5kA (8/20μs) | 0,7 kV |
| Công nghệ | MOV + GDT + mạch lọc L-C + công nghệ VG (MOV + GSG) |
| Bảo vệ ngắn mạch | Có, MCB 3P |
| Báo hiệu tình trạng hoạt động | Có (chỉ thị màu) & đèn báo bên ngoài |
| Kết nối đến mạng điện | Lắp nối tiếp |
| Nhiệt độ hoạt động | -40 đến +85 °C |
| Module / Hiệu / Xuất xứ | 3x DS250E + DS100EG + 3x DAC50VGS-10-275 + 3x DSH100 + 3x DUC /CITEL - Pháp |
| Thiết bị an toàn điện / Hiệu / Xuất xứ | MCB 3P-100A / Schneider / Pháp |
| Tủ / Xuất xứ | Tủ kim loại sơn tĩnh điện / VN |
| Tiêu chuẩn đáp ứng | IEC 61643-11 / EN 61643-11 / UL1449 4ed / EAC |

