Bảo vệ tối ưu cho Trung Tâm Máy Tính Điện Tử
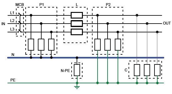
PDS254G-53VG-63A là tủ cắt lọc sét 3 pha 63A Type 1+2+3 kết hợp mạch lọc nhiễu LC, bảo vệ an toàn cho các thiết bị điện tử khỏi tác động bởi các xung sét hay nhiễu loạn điện từ trên hệ thống.
PDS254G-53VG-63A nằm trong dòng tủ chống sét PDS250-50VG hiệu TACpro của TAEC. Chúng được lắp ráp từ các module chống sét Citel theo đúng tiêu chuẩn phối hợp bảo vệ giữa cấp.
| Model | PDS254G-53VG-63A |
| Nhãn hiệu | TACpro |
| Xuất xứ | Việt Nam (module nhập khẩu Pháp, lắp ráp bởi TAEC) |
| Ứng dụng | Chống sét lan truyền nguồn AC |
| Type chống sét - IEC 61643 | Type 1+2+3 |
| Hệ thống điện | 3 pha 220/400 Vac (3L+N) |
| Mạng điện AC nối đất | TN-TNS |
| Điện áp định mức L-N (Un) | 230 Vac |
| Điện áp hoạt động tối đa L-N (Uc) | 275 Vac |
| Quá áp tạm thời đặc tính 120 mn(UT) | 440 Vac |
| Dòng tải tiêu thụ tối đa IL | 63A/ pha |
| Dòng rò nối đất (Ipe) | không |
| Dòng liên tục ở Uc (Ic) | 2 mA |
| Dòng phóng theo (If) | không |
| Khả năng cắt sét định mức (15 xung 8/20μs) (In) | Sơ cấp: 70 kA, Thứ cấp: 20 kA |
| Khả năng cắt sét tối đa /cực (8/20μs) (Imax) | Sơ cấp: 140 kA, Thứ cấp: 50 kA |
| Khả năng cắt sét trực tiếp /cực (10/350µs) (limp) | 25 kA |
| Chịu sóng kết hợp theo IEC 61643-11 (Uoc) Class III test: 1.2/50μs - 8/20μs |
6 kV |
| Lọc nhiễu | L-C |
| Kiểu kết nối và chống sét | L-N, N-PE và L-PE |
| Cấp bảo vệ @ In (8/20μs) | 1,5 kV |
| Điện áp dư (Up-5kA) @ 5kA (8/20μs) | 0,7 kV |
| Công nghệ chống sét | Công nghệ VG (MOV + GSG) + mạch lọc nhiễu L-C |
| Bảo vệ ngắn mạch /mức | Có / 6 kA |
| Báo hiệu tình trạng hoạt động | Có (chỉ thị màu) / tiếp điểm kết nối ra bên ngoài |
| Kết nối đến mạng điện | Nối tiếp |
| Nhiệt độ hoạt động | -25 đến +60 °C |
| Module chống sét / Nhãn hiệu /xuất xứ | 3xDS250E + DS100EG, 3xDAC50VG, 3xDSH63, 3xDUC / CITEL /Pháp |
| Thiết bị an toàn điện / Hiệu /xuất xứ | MCB 3P-63A/ Schneider/ Pháp |
| Vỏ tủ / chất liệu | PVC/ Technoplastic |
| Cấp bảo vệ / kháng cháy | IP66 / 650 °C |
| Kích thước ngoài vỏ tủ (rộng x cao x sâu) | 274 x 532 x 109 mm |
| Tiêu chuẩn chống sét đáp ứng | IEC 61643-11 / EN 61643-11 / UL1449 4ed / EAC |

