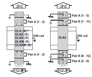
DLAH-32D3 surge protector is designed to protect, against surge voltages due to lightning, terminals equipment connected to industrial buses, telecom lines or datalines.
These Signal Surge Protector must be installed on symmetrical DIN rail and are available for most of the transmission lines: line voltage 32V, bitrate up to 10 Mbit/s. These products are 1-pair surge protectors with removable module for easy maintenance.

ELECTRICAL PROPERTIES
MECHANICAL PROPERTIES
NORMS

