DS50PV/51 are type 2 surge protectors are designed to protect against lightning surge voltages in photovoltaic power supply network. Based on the use of specific varistors, providing a protection in common mode or common and differential mode.
ELECTRICAL PROPERTIES
MECHANICAL PROPERTIES
NORMS
DECONNECTOR
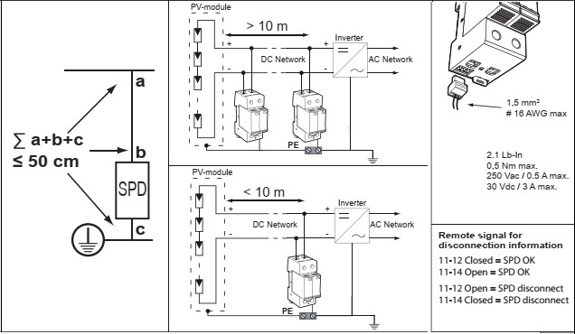
DS50PV-500/51 surge protector is connected in parallel on the DC network

